AEC-Q系列标准中的静电放电(ESD)测试 发布时间:2026-04-17
什么是静电放电(ESD)
Electro-Static Discharge,是指在特定环境下,由于静电的积累到达一定程度后,电荷以迅速释放的方式恢复电平衡的现象。这种放电可能由接触、摩擦或感应等多种方式引发。ESD的特点是电荷积累时间长、放电电压高、涉及电量少、电流小且作用时间极短。金鉴实验室是一家专注于LED产业的科研检测机构,拥有先进的设备和专业的团队,能够为客户提供全面的ESD测试服务,确保电子元件在各种环境下的稳定性和可靠性。

ESD的危害性
ESD对多个行业,尤其是半导体行业构成了严重威胁。据估计,约有40%的集成电路失效是由ESD引起的。在电子电器产品中,ESD是导致设备运行不稳定甚至损坏的主要原因之一。随着集成电路技术的发展,元件集成度提高,特征尺寸缩小,电子元件对ESD的敏感性也随之增加。在ESD的高压和大电流作用下,电子元件可能会遭受不可逆的损伤,造成产品损坏或性能下降。金鉴实验室深知ESD对电子产品的重要性,因此我们提供针对性的测试方案,帮助企业识别和评估ESD对其产品的潜在影响,确保产品在市场上的竞争力。

ESD的测试方法
金鉴实验室配备专业的ESD测试系统,能够提供标准的ESD测试服务,为您的研究或产品质量控制提供强有力的数据支持,如需进行专业的检测,可联系金鉴检测顾问189-2421- 3655。
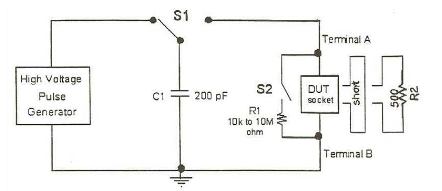
1. 人体放电模式(HBM):模拟人体积累静电后接触电子元件时的放电现象。在HBM模型中,人体被等效为1.5kΩ的电阻和100pF的电容。HBM测试中,消费类电子产品通常需要承受2kV的ESD电压,电流峰值在1.2A到1.48A之间,电流上升时间在2到10纳秒,持续时间在130到170纳秒。

2. 机器放电模式(MM):模拟机器积累静电后接触电子元件时的放电现象。在MM模型中,机器被等效为0Ω的电阻和200pF的电容。MM放电过程较短,电流较大,对元器件的破坏性远大于HBM。

3. 元件充电模式(CDM):模拟电子元件在生产运输过程中积累静电后的放电现象。CDM放电时间更短、电流峰值更高,对器件的ESD应力更大,更容易导致IC损坏。

AECQ认证中的ESD测试要求
车载电子元器件的ESD测试提出了具体要求。AEC-Q100、AEC-Q101、AEC-Q102、AEC-Q103、AEC-Q104等标准均依据JS-001及JS-002进行HBM和CDM模式的ESD测试。而AEC-Q200系列标准则依据ISO 10605,分为接触放电和空气放电两种模式。金鉴实验室依据标准,提供专业的HBM和CDM模式的ESD测试,确保客户的产品符合行业标准,提升市场竞争力。

1.接触放电:针对可接触的半成品电子产品或金属外壳的电子产品,模拟人体放电对电子产品的潜在损害。
2.空气放电:针对绝缘外壳或涂覆绝缘防护层的电子产品,模拟高压静电脉冲击穿空气对产品造成破坏的情况。
被动元器件的HBM ESD静电敏感度等级,依据AEC-Q200-002标准,有具体的等级划分。ISO 10605规范的ESD测试方法与IEC 61000-4-2相似,但在储能电容及放电电阻方面有所不同,针对AEC-Q200的被动元器件测试要求,等效电阻为2000Ω,等效电容为150pF,相较于IEC 61000-4-2的330Ω、150pF/330pF更为宽松。
ESD防护措施
为了减少ESD对电子元件的损害,行业内采取了多种防护措施。这些措施包括使用防静电包装材料、防静电工作服、防静电地板以及在生产线上安装离子风扇等。此外,设计阶段也会考虑到ESD防护,例如在芯片设计中加入ESD保护电路。
结论
ESD是电子行业中一个不可忽视的问题,它对产品的可靠性和寿命有着直接的影响。随着技术的发展,对ESD的测试和防护要求也越来越高。通过严格的ESD测试和有效的防护措施,可以显著提高电子产品的抗静电能力,减少因ESD造成的损失。
因此,对于电子元件制造商和用户来说,了解ESD的原理、危害和测试方法,采取适当的防护措施,对于保障产品质量和可靠性至关重要。金鉴实验室致力于为客户提供高质量的ESD测试服务,通过严格的测试和有效的防护措施,显著提高电子产品的抗静电能力,减少因ESD造成的损失。


